振蕩理瓶灌裝旋蓋一體機-口服液灌裝旋蓋一體機
振蕩理瓶灌裝旋蓋一體機-口服液灌裝旋蓋一體機主要用途:
專門針對小劑量的藥液、口服液、飲料、保健品、香水等液體

振蕩理瓶灌裝旋蓋一體機-口服液灌裝旋蓋一體機設備介紹:
這款振蕩理瓶灌裝旋蓋一體機專門針對小劑量的藥液、口服液、飲料、保健品、香水等液體灌裝設計的 、尤其適用于1ml-10ml容量的灌裝 。采用單頭蠕動泵灌裝,316L不銹鋼材料;工作臺面以不銹鋼材料防護,整機符合GMP要求。采用振蕩式理瓶、圓盤定位灌裝,有自動對口裝置,自動上蓋旋蓋,定量灌裝,計量準確。特別適用于中小批量的生產可選購防護罩!
振蕩理瓶灌裝旋蓋一體機技術參數:
生產能力:20~40瓶/分(視瓶子大小及裝量而定)
生產合格率:不低于98%
電源:220V,50Hz
總功率: 1.5KW
外形尺寸: 2500mm×1650mm×1700mm
重量 700kg
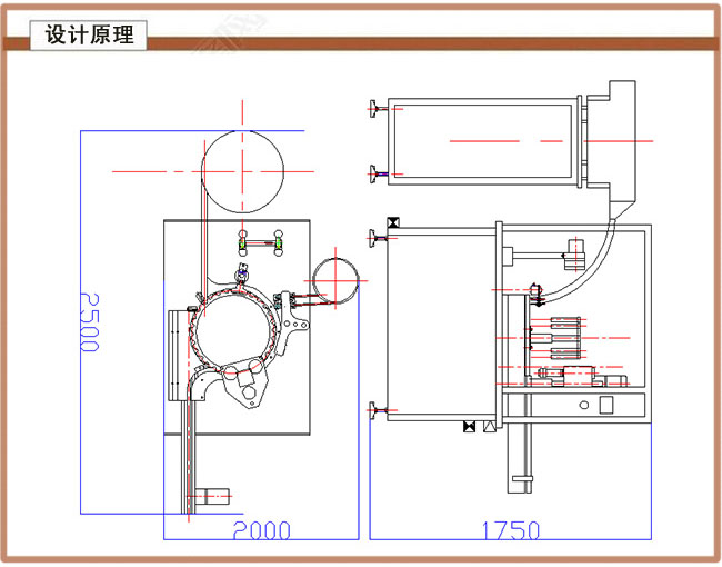
振蕩理瓶灌裝旋蓋一體機原理及特點:
人工將瓶子置于料斗內,開啟按鈕,理瓶機自動理瓶,主機啟動,瓶子到轉盤后,轉盤再將瓶子帶到灌裝工位,采用圓盤定位灌裝,灌裝完成后瓶子自動被帶到加蓋、旋蓋工位,自動加蓋,旋蓋,旋蓋完成后自動出瓶。
上一頁:全自動電子煙油灌裝機--煙油灌裝加塞旋蓋機
下一頁:星火包裝機械豎立包裝行業的標桿
















